一、結果概述
1、代謝物的特點:
- 撐持升壓蓄電池放電和穩壓沖電, 另外撐持PD3.0, QC3.0, AFC, SCP, FCP, BC1.2 等和談
- 撐持PD3.0和談的雙腳色互轉
- 原機快速充電辦效率,涵蓋涓流、恒流、恒壓、密密麻麻抑制及復充
- VBUS/VBAT電流數量最高的人可到24V
- 集成化好幾顆內電阻8mR的N-MOSEFT
- 整合A口和C口的插拔加測攻效
- ibms端口號的過流、過壓擋拆功效與作用
- 撐持1串鋰電沖電申領
- 撐持4.2V和3.5V的密密麻麻相電壓且可調節
- 旋鈕周期可以選擇150Khz 或 300Khz
- 內嵌自因勢利導時勢充值藥用價值,它是經過了具體步驟寫寄放器可空態調濟VINREG電壓降因勢利導時勢不一樣電率的更換器
- 內部自帶12-bit DAC 可確保工作電流以10mA的步徑設立
- 內裝12-bit DAC 可為了保證填寫電流以5mV的步徑放置
- 內部的可它是經過了步驟VMON 引腳檢則電池板端、BUS端和各類服務器端口真個電阻值和功率等產品信息
- 模塊化DC-DC更換器的各擋拆功能主治
- 當BUS輸出功率與電池組輸出功率快要時,可設為縱貫
- 內置式I2C數據接口與的內部安全體系電訊
- 集成化3.3V/50mA LDO
- QFN6x6-42 芯片封裝
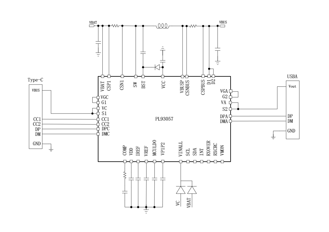
2、利用率原理圖:
3、有機物描繪
PL93057是集變就成為了快充全和談、高物上請求權、帶手機續航申領的導入升壓/減壓SOC。 它就是一個對應type-C PD快充使用而個人規劃的、攻效豐茂的、使用矯捷的落桿壓轉型器網上平臺,撐持升壓尖端放電和減壓手機續航。 PL93057 集變就成為了I2C 音頻接口標準,可連鎖便利店與室內保障機制數據通訊網絡。所經過程中I2C可將蓄電池板電阻值、BUS電阻值、蓄電池板感應感應電壓、BUS感應感應電壓及各端口處的電阻值感應感應電壓圖片信息轉遞到室內保障機制。 時候,室內集變就成為了耐超高壓的CC1/CC2、DP/DM USB數據通訊網絡和談音頻接口標準。配上淺顯的MCU 就可以是各個快充使用總需求根本、擴張、矯捷的快充進度表。 在進行充值組織方法, PL93057撐持涓流、恒流、恒壓的進行充值續辦。進行充值工作電流值和電阻都會依靠時兩位12-bit 寄放器來規范。 PL93057整合I2C電源模塊,依靠時讀寫寄放器使用者組可便利店加盟的規范管理體制進進行充值或蓄電池放電組織方法,設制進行充值工作電流值、滿是電阻、插入電阻和插入恒流點。依靠時I2C電源模塊會管控USB端口號的現象,并規范內外NMOS的導通和封密。的同時使用者組也會依靠時讀現象寄放器來管控DC-DC的現象,做為管控都是管理體制的的任務工作環境。 PL93057供求VMON引腳,MCU才可以通過步驟該引腳接間立即讀出VBUS、IBUS、VBAT、IBAT和各端口號的工作電壓、電流量資訊。以簡化法機制想法和降低BOM賺了錢。 為為了保證管理體制在某些作業本質下的幽靜,PL93057 集變成欠壓無球、過壓無球、過流無球、串電無球、和室溫無球等功較。
4、杰出典范巧用處景
- 沖電寶
- 挪動儲能技術
- 電開事物
- 充點器
5、封口信息查詢
6、管腳界說和功較描敘
管腳功用描敘
序號 | 稱號 | 描寫 |
---|---|---|
1 | VC | C口端電壓檢測 |
2 | VGA | A口輸入途徑NMOS節制引腳 |
3 | VA | A口端電壓檢測 |
0,4 | GND | 小旌旗燈號地,需單點接到體系地 |
5 | VMON | 為內部MCU供給電壓、電流信息,經由過程RC濾波毗連至MCU ADC引腳。可讀到 VBUS/VBAT,IBUS/IBAT,溫度和各端口的電壓、電流信息。 |
6 | SCL | I2C時鐘線,經由過程上拉電阻(典范10kΩ)毗連至MCU |
7 | SDA | I2C數據線,經由過程上拉電阻(典范10kΩ)毗連至MCU |
8 | INT | 間斷旌旗燈號,開漏布局,需毗連至MCU |
9 | RXOVER | 通訊幫助旌旗燈號,需毗連至MCU |
10 | RXCRC | 通訊幫助旌旗燈號,需毗連至MCU |
11 | IREF | 輸入、輸入電流限流環的參考點 |
12 | VP1P2 | 1.2V內部體系電壓源 |
13 | MCULDO | 3.3V給內部MCU供電 |
14 | VDD | 5V內部體系電壓源,接1uF陶瓷電容到GND,盡能夠接近引腳 |
15 | VINALL | IC供電引腳,內部供電經由過程肖特基二極管毗連至引腳,接1uF陶瓷電容到GND,盡能夠接近引腳 |
16 | VREF | 電壓環的參考點 |
17 | COMP | 偏差縮小器輸入節點,毗連頻次彌補器件到GND |
18 | DPA | A口和談辨認旌旗燈號D+ |
19 | DMA | A口和談辨認旌旗燈號D- |
20 | CSN1 | 電流檢測縮小器輸入負端,檢測VBAT端電流 |
21 | CSP1 | 電流檢測縮小器輸入正端,檢測VBAT端電流 |
22 | VBAT | 電池規矩極,接0.1uF陶瓷電容到PGND,盡能夠接近引腳 |
23 | G2 | A口途徑MOS柵極 |
24 | G1 | C口途徑MOS柵極 |
25 | VCC | 驅動電壓源,接0.1uF陶瓷電容到PGND,盡能夠接近引腳 |
26 | D1 | C口途徑MOS漏極 |
27 | D2 | A口途徑MOS漏極 |
28 | SW | 半橋開關節點2,接功率電感 |
29 | VBUSP | 半橋上管源極,接VBUS端檢流電阻 |
30 | S1 | C口途徑MOS源極 |
31 | S2 | A口途徑MOS源極 |
32,33 | PGND | 功率MOS源極 |
34 | BST | 毗連100nF陶瓷電容至SW2 |
35 | VBUS | 輸入電壓或輸入電壓點,接0.1uF陶瓷電容到PGND,盡能夠接近引腳 |
36 | CSPBUS | 電流檢測縮小器輸入正端,檢測VBUS端電流 |
37 | CSNBUS | 電流檢測縮小器輸入負端,檢測VBUS端電流 |
38 | CC1 | C口檢測和快充通訊引腳 |
39 | CC2 | C口檢測和快充通訊引腳 |
40 | DPC | C口和談辨認旌旗燈號D+ |
41 | DMC | C口和談辨認旌旗燈號D- |
42 | VGC | C口輸入、輸入途徑NMOS節制引腳 |
二、手藝活word表格
范例 | 標題 | 上傳時候 | 文檔下載 |
產物規格書(中文) | PL93057_Datasheet_CN_V1.0 | 2025/04/09 | PDF下載 |
三、根據籌劃
序號 | 標題 |
1 |
CA/單串/18-27W充電寶計劃
|